Yeni Borulu Devrilme Anahtarı

2025-11-14 - bana mesaj bırak

Devrilme anahtarı güvenilir ve önemli bir güvenlik koruma cihazıdır. Varlığı, günlük kullanımımızda çeşitli dikey cihazların çalışma güvenliğini önemli ölçüde artırır.


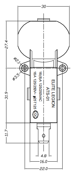
Müşterilerimizin artan taleplerini karşılamak için yeni Borulu Devrilme Anahtarımızı tanıtıyoruz. Bu model, önceki tasarımlarımızdan farklı bir form faktörüne sahiptir ve ayaklı fanlar, kule fanları ve benzer cihazlarda bulunanlar gibi boru şeklindeki yapılara entegrasyon için ideal hale getiren daha kompakt bir ayak izi sunar.

  

Ekipmanın yanlışlıkla devrilmesi veya aşırı eğilmesi durumunda bu anahtar, güç kaynağını otomatik olarak keser. Bu işlev yangın, elektrik çarpması ve ekipmanın zarar görmesi gibi olası tehlikeleri önlemek için gereklidir.


Talep Gönder

X
We use cookies to offer you a better browsing experience, analyze site traffic and personalize content. By using this site, you agree to our use of cookies. Privacy Policy